三相油浸感应调压器主要用于实验单位,其制造标准需参照 JB/T 10090-1999,其产品技术需满足以下条件: 达到技术指标: 容量范围:100~2000KVA 输入电压:380V 输出电压:0~650V(可选择) 频率:50HZ 效率:96% 抗电强度:2000V/60S﹤10mA 过载能力:>125%----120min,>150%----60min 绝缘电阻:﹥20MΩ 环境温度:-5℃~+40℃ 相对湿度:﹤95% 温升:﹤55℃ 噪声:﹤85dB。
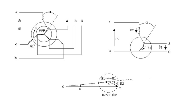
 工作条件 在下列条件下,本产品能长期连续运行。 1.海拔高度不超过1000米; 2.周围介质温度不高于+40℃; 3.空气相对湿度不大于85%; 4.不含有化学腐蚀性气体及蒸汽的环境中; 5.无爆炸危险的气体环境中; 6.户内使用。 本产品的温升标准为:油面温升55℃,(在周围介质温度为40℃时,油面最高温度不允许超过95℃),绕组温升65℃铁心温升80℃。 30 6 6.3 10 10.5 11 ±5 0.4 Dyn11 Yzn11 Yyn0 0.13 0.63/0.60 2.3 4.0 50 0.17 0.91/0.87 2.0 63 0.20 1.09/1.04 1.9 80 0.25 1.31/1.25 1.9 100 0.29 1.58/1.50 1.8 125 0.34 1.89/1.80 1.7 160 0.40 2.31/2.20 1.6 200 0.48 2.73/2.60 1.5 250 0.56 3.20/3.05 1.4 315 0.67 3.83/3.65 1.4 400 0.80 4.52/4.30 1.3 500 0.96 5.41/5.15 1.2 630 Dyn11 Yyn0 1.20 6.20 1.1 4.5 800 1.40 7.50 1.0 1000 1.70 10.30 1.0 1250 1.95 12.00 0.9 1600 2.40 14.50 0.8 注1:对于额定容量为500KvA及以下的变压器,表中斜线上方的负载损耗值适用于Dyn11或 Yyn0联结组,斜线下方的负载损耗值适用于Yyn0联结组 注2:根据用需要,可提供高压分接范围为±2×2.5%的变压器 注3:根据用户需要,可提供低压为0.69kV的变压器 表2 630kVA-6300 kVA三组双绕组无励磁调压配电变压器 额定容 电压组合及分接范围 联结组标 空载损耗 负载损耗 空载电 短路阻 工作原理 本产品机构类似一般立式绕线转子异步电动机,由于它处于堵转状态下工作,因此,其工作原理相似于感应电机与三相干式隔离变压器。当定、转子相对位置改变后,对于三相调压器即改变了二次串联绕组感应电势的相位,再借自藕的线路联接,使负载电压能够在一定的范围内,获得无级而平滑的调节。 调压器绕组联结原理图如图1所示。 电机试验; 输出容量(千伏安) “感”应; 油“浸”自冷 S为“三”相; “调”压器。 三相调压器绕联组结理图原 调压器的输出电压特性,如图2所示。 图中:f1 (Ө)—空载输出电压特性曲线; f2 (Ө)—额定负载阻抗下输出电压特性曲线; Ө—定、转子相对电度角,输出电压为最低值时候,Ө=0° U20max—空载输出电压的最高值; U2—额定负载阻抗下的输出电压。 因受电磁和结构设计的限制,负载电压从零开始调节的调压器,空载输出下限电压往往有一个比较小的起始值。 四、 产品特点 本系列调压器由于采用了定子斜槽新结构,加强了调压器主要结构件和传动机构的机械强度,合理选取槽配合和各种电磁参数,并采用优质磁性材料,因此与一般型三相感应调压器相比,在性能上有很大的改进和提高,能较好地满足电机试验的要求。它具有下述特点: 1、 输出电压波形好,调压特性连续均匀平滑。符合国际电工委员会(IEC)标准中对电机试验电源有关质量要求的规定。 2、 空载电流和总损耗较小,突加负荷时短时过负荷能力大,因此有助于减少安装容量,有利于节约电能和运行费用。 3、 输出端电压实际调节范围宽,从而能满足50周波和60周波异步电动机空载特性,短时升高电压试验和实测杂散耗试验的要求。 4、 噪音振动较小,因而减少了环境污染,改善了试验工人的工作条件。 五、 结构特征 调压器主要由器身、冷却油箱和传动机构三部分组成。 1. 器身结构与一般立式绕线转子异步电机一样,由定、转子铁心和绕组、面板、底座等构成。 2. 冷却油箱结构与一般三相变压器基本相同。油箱壁上装有油面表和放油阀门。注油器位于调压器面板上。 3. 传动机构为手、点动两用蜗轮、蜗杆、减速器,手、电动的切换是利用爪形离合器来实现的,当套在大蜗杆上的手轮向内推进时为电动,向外拉出
路阻抗应符合表1~表3的规定。 表1 30kVA-1600 kVA三组双绕组无励磁调压配电变压器 额定容量KVA 电压组合及分接范围 联结组标 称 空载损耗kW 负载损耗kW 空载电流% 短路阻抗% 高压kV 高压分接范 围% 低压 量KVA 高压 kV 高压分接范 围 % 低压 kV 称 kW kW 流% 抗% 630 6 6.3 10 10.5 11 ±5 3 3.15 6.3 Yd11 1.03 7.29 1.1 5.5 800 1.26 8.91 1.0 1000 1.48 10.44 1.0 1250 1.75 12.42 0.9 1600 2.11 14.85 0.8 2000 2.52 17.82 0.8 2500 2.97 20.70 0.8 3150 3.51 24.30 0.7 4000 10 10.5 11 3.15 6.3 4.32 28.80 0.7 5000 5.13 33.03 0.7 6300 6.12 36.90 0.6 注:根据用户需要,可提供高压分接范围为±2×2.5%的变压器 表3 200 kVA~I 600 kVA三相双绕组有载调压配电变压器 电压组合及分接范围 短路 额定容量 kVH 高压 kV 高压分接范围 % 低压 kV 联结组 标号 空载损耗 kW 负载损耗 kW 空载电流 % 阻抗 % 200 O.48 3.06 1.5 250 0. 56 3.60 1.4 315 0. 67 4.32 1.4 4.0 400 0.80 5.22 1.3 500 6 6.3 士4×2.5 0.4 Dynll 0. 96 6.21 1.2 630 10 YynO 1.20 7.65 1.1 800 1.40 9.36 1.0 产品的主体为油浸式感应调压器,实质是一立式绕线式异步电机,转子轴伸出面板有涡轮,涡杆、减数传动装置可用手动或电动控制转子转动,以改变转子与定子线圈的相对角度,使定、转子感应电压相位变化从而改变输出电压。 适用场所: 大专院校、科研机构、工矿企业,检测单位。 以上参数为感应调压器国际国家标准参数对照。 >产品全称:油式调压器(也称无触点调压器) 产品型号:TSA 额定容量:50-300KVA 可以订做 频 率:50HZ 输入电压:380V 可以订做 最大输入电流:260A 额定输出电流:133A 负载电压:0—650V 可以订做 冷却方式:油浸式 油面温升:55K
>产品概况 英施丹电器TSJA油浸式调压器产品采用环形铁芯、全屏蔽式结构制造,切换输出换相开关,电压表显示任意两相的输出电压,A、B、C三个电流表显示在不同输出电压下的相电流;通过调节升压、降压开关按钮,能在带负荷情况下,无级、平滑、连续地调节输出电压。油式调压器身左右侧和后侧设计合理的波纹散热片,能有效降低调压器在运行过程中产生的热量,确保产品安全、稳定、可靠的。
>规格参数 以下为我司生产的TSJA系列三相油式调压器常规产品,特殊规格欢迎垂询英施丹客服订做 高压感应调压器规格 产品型号 | 冷却 方式 | 额定容量kVA | 相数 | 频率Hz | 额定输入电压 V | 输出电压范围V | TDA-xxx | 油浸 自冷 | 12.5~400 | 1 | 50 (60) | 220 | 0~250或0~400 | 12.5~400 | 380 | 0~420或0~500 | 12.5~800 | 0~650 | 10~630 | 0~1000 | TDA-xxx/6.3 | 400~2500 | 6000 | 0~6300 | TDA-xxx/10.5 | 400~2500 | 0~10500 | TDA-xxx/10 | 250~1600 | 10000 | 0~6300 | TDA-xxx/10.5 | 315~2000 | 0~10500 | TDA-xxx/13 | 315~2000 | 6000或10000 | 0~13000 | TSA-xxx | 20~1250 | 3 | 380 | 0~420或0~500 | 20~3150 | 0~650 | 16~2500 | 0~1000 | TSA-xxx/6.3 | 630~12500 | 6000 | 0~6300 | TSA-xxx/10.5 | 630~12500 | 0~10500 | TSA-xxx/10 | 400~8000 | 10000 | 0~6300 | TSA-xxx/10.5 | 500~10000 | 0~10500 | TSA-xxx/13 | 500~10000 | 6000或10000 | 0~13000 | TDFA-xxx | 干式 风冷 | 25~315 | 1 | 50 (60) | 220 | 0~250或0~400 | 25~315 | 380 | 0~420或0~500 | 25~1000 | 0~650 | 16~630 | 0~1000 | TSFA-xxx | 31.5~1000 | 3 | 380 | 0~420或0~500 | 40~1600 | 0~650 | 31.5~1250 | 0~1000 |
注:①产品型号中xxx数据表示额定容量; ②按50Hz设计的调压器,也可用于60Hz电源; ③容量按R10优先数系:12.5、16、20、25、31.5、40、50、63、80、100、125、160、200、250、315、400、500、630、800、1000、1250、1600、2000、2500、3150、4000、5000、6300、8000、10000、12500kVA; ④非本表中容量及电压规格产品,本企业也可承接设计、制造。 低压感应调压器规格 型号规格 | 额定容量(KVA) | 输入电压(V) | 负载电压(V) | 负载电流 | 尺寸大小 | 重量(kg) | TNSJA-60 | 60 | 380 | 0-430 | 81 | 820*660*1600 | 430 | TNSJA-80 | 80 | 380 | 0-430 | 107 | 1080*950*1800 | 670 | TNSJA-100 | 100 | 380 | 0-430 | 134 | 1080*950*1800 | 690 | TNSJA-120 | 120 | 380 | 0-430 | 161 | 1080*950*1800 | 760 | TNSJA-150 | 150 | 380 | 0-430 | 201 | 1200*1050*1900 | 1000 | TNSJA-200 | 200 | 380 | 0-430 | 269 | 1200*1050*1900 | 1150 | TNSJA-250 | 250 | 380 | 0-430 | 336 | 1200*1050*1900 | 1230 | TNSJA-300 | 300 | 380 | 0-430 | 403 | 1200*1200*2100 | 1520 | TNSJA-350 | 350 | 380 | 0-430 | 470 | 1200*1200*2100 | 1750 | TNSJA-400 | 400 | 380 | 0-430 | 537 | 1650*1650*2200 | 1860 | TNSJA-450 | 450 | 380 | 0-430 | 604 | 1650*1650*2200 | 1950 | TNSJA-500 | 500 | 380 | 0-430 | 671 | 1650*1650*2200 | 2050 | TNSJA-600 | 600 | 380 | 0-430 | 806 | 1800*1800*2200 | 2110 | TNSJA-700 | 700 | 380 | 0-430 | 940 | 1800*1800*2200 | 2220 | TNSJA-800 | 800 | 380 | 0-430 | 1074 | 1800*1800*2200 | 2320 | TNSJA-900 | 900 | 380 | 0-430 | 1208 | 2020*1800*2300 | 2430 | TNSJA-1000 | 1000 | 380 | 0-430 | 1343 | 2020*1800*2400 | 2550 |
>产品特征 1、无触点调节,使用寿命长; 2、适用于各种性质的负载; 3、过载能力强、损耗低; 4、运行安全可靠; 5、人性化界面,数字显示输出电压;
>适用场合 广泛适用于机械制造、化工、纺织、通讯、军工等行业的电机电器试验、电炉控温、整流设备配套、发电机励磁等领域。
|